MODULAR MULTI-SPINDLE DRILLING MACHINE
FEATURES MD-1A MT-1A MD-2A MT-2A MD-3A MT-3A

MD-1A,2A,3A MT-1A,2A,3A、
The example which connected two machines.
It corresponds flexibly to Labor-Saving.
MD-1A,2A,3A MT-1A,2A,3A

We appreciate our customers in favor of TOYOSK products. The MD Series is a group of CNC multi-spindle drilling machines. It was developed for the latest demand to save labor in the processing nonferrous alloy materials. We can install all units with high efficiency in the shortest term. Because the high-accuracy jigs, spindles and peripheral units have all been turned into modules.
Today the world knows TOYOSK as "Company of Multi-Spindle". From now on we are doing best with customers in producing high efficient factory automation based on our long-term experiences.

Features
  1. The single-shaft NC unit for head feed and the inverter for spindle revolution accomplish quick response to diverse drilling conditions.
  2. The vertical unit and the horizontal unit can be combined to create an optimum layout for your machining application.
  3. The peripheral equipment, such as loading robot and 180°turning table, have been turned into modules to promote easier formation of automated labor-saving systems. Hence this machine is well suited to the operations that require short start-up time.
  4. The MD high-speed spindle, boasting of 20000 min-1 revolution speed, will prove useful in drilling small holes in nonferrous alloy materials.
  5. This machine makes no use of hydraulic or pneumatic systems. The electrical equipment and coolant system are all incorporated in the machine to maximize energy saving and space saving.
   
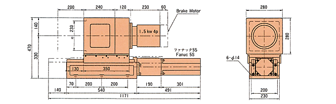
MD-1A MT-1A
Machine Specification
Overall Dimensions
Drawing of Unit
Specification
  MD-1A MT-1A
Basic No. of spindles 20
Machining area 200mm×200mm
Machining
capacity
(AC3) 4.5mm×20
5.5mm×13
3.0mm×20
4.0mm×15
(S45C) 2.0mm×20
5.5mm× 5
2.0mm×20
4.0mm× 8
Spindle head travel 200mm
Spindle speed
(inverter control)
800〜4000min-1 500〜1700min-1
Spindle head
quick traverse speed
10000mm/min
Main motor 1.5kw
Spindle head
feed motor
0.9Kw(AC servo motor)
Controller FANUC Power Mate A
Operation mode Program operation
Jog operation
Position sensor Absolute
PMC DI/DO 48/32
No. of programs Standard 9 (Max.255)
Power requirements AC 200V/220±10%
(50Hz/60Hz)
Weight of machine 900kg
MD-2A MT-2A
Machine Specification
Overall Dimensions
Drawing of Unit
Specification
  MD-2A MT-2A
Basic No. of spindles 20
Machining area 200mm×250mm
Machining
capacity
(AC3) 5.5mm×20 4.0mm×20
(S45C) 2.5mm×20
5.5mm× 8
2.6mm×20
4.0mm×12
Spindle head travel 200mm
Spindle speed
(inverter control)
800〜4000min-1 500〜1700min-1
Spindle head
quick traverse speed
10000mm/min
Main motor 2.2kw
Spindle head feed motor 0.9Kw(AC servo motor)
Controller FANUC Power Mate A
Operation mode Program operation
Jog operation
Position sensor Absolute
PMC DI/DO 48/32
No. of programs Standard 9 (Max.255)
Power requirements AC 200V/220±10%
(50Hz/60Hz)
Weight of machine 930kg
MD-3A MT-3A
Machine Specification
Overall Dimensions
Drawing of Unit
Specification
  MD-3A MT-3A
Basic No. of spindles 24
Machining area 200mm×300mm
Machining
capacity
(AC3) 5.0mm×24
5.5mm×20
3.0mm×24
4.0mm×20
(S45C) 2.5mm×24
5.5mm× 8
2.6mm×24
4.0mm×12
Spindle head travel 200mm
Spindle speed
(inverter control)
800〜4000min-1 500〜1700min-1
Spindle head
quick traverse speed
10000mm/min
Main motor 2.2kw
Spindle head feed motor 0.9Kw(AC servo motor)
Controller FANUC Power Mate A
Operation mode Program operation
Jog operation
Position sensor Absolute
PMC DI/DO 48/32
No. of programs Standard 9 (Max.255)
Power requirements AC 200V/220±10%
(50Hz/60Hz)
Weight of machine 960kg